单元全练全测 - 第二单元全练全测
第一题
1.m m2 m m m2 dm dm dm2 m2 cm dm2
2.28 48 3.256 4.< = > <
第二题
1.× 2.√ 3.× 4.×
第三题
1.分析:观察三个图形,经过图形转换,将2个三角形阴影合并成1个正方形阴影后,可得出下面的图形①,图形②和图形③。从新的图形中我们可以看出,图形①是由5个小正方形组成的,图形②是由4个半小正方形组成的,图形③是由5个半小正方形组成的,所以图形c的面积最大。

解答:C
2.

分析:从上面的图形中,可以出甲乙两部分的周长是相等的;而乙上面有个缺口,所以甲的面积大于乙的面积。
解答:C A
3.B 4.A 5.C
第四题
分析:1.求阴影部分的面积就是用大长方形的面积-小正方形的面积。

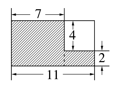
2.分析:方法一 添补法。先把阴影部分添补成一个大的完整的图形,添补后变成了一个长11分米,宽4+2=6(分米)的长方形,再从中减去添补出来的小图形的面积,因为11-7=4(分米),所以添补后的空白图形是个边长是4分米的正方形,即需要减掉一个边长是4分米的正方形的面积,剩下的就是要求的阴影部分的面积。
方法二 分割法。把阴影部分分割成两个小的图形,分别求出这两个小图形的面积,再相加,就是要求的阴影部分的面积。从图中可以看出,分割后原图形变成了大小两个长方形,一个长7分米,宽4+2=6(分米),另一个长11-7=4(分米),宽2分米。

解答: 1.8×4-2×2 ……(4分)
=32-4
=28(平方分米)……(6分)
2.方法一 添补法。
11×(4+2)=66(平方分米)……(2分)
4×(11-7)=16(平方分米)……(2分)
66-16=50(平方分米)……(2分)
综合列式:11×(4+2)-4×(11-7)
=66-16
=50(平方分米)……(6分)
方法二 分割法。
7×(4+2)=42(平方分米)……(2分)
(11-7)×2=8(平方分米)……(2分)
42+8=50(平方分米)……(2分)
综合列式:7×(4+2)+(11-7)×2
=42+8
=50(平方分米)……(6分)
第五题
1.(60+20)×2=160(cm) 160÷4=40(cm)
40×40=1600(cm2) 1600cm2=16dm2
2.26×15-15×15=165(dm2)
4.24÷3=8(m) 8×8=64(m2)
3.(1)1m=10dm 19×10=190(dm2)
(190-8×5)×2=300(dm2) 300dm2=3m2
(2)8×3=24(g)
4.24÷3=8(m) 8×8=64(m2)